Looking For Anything Specific?

Homelite Chainsaw Carburetor Diagram : Hidden carburetor leak on husqvarna chainsaw carburetor!

Homelite Chainsaw Carburetor Diagram : Hidden carburetor leak on husqvarna chainsaw carburetor!. To identify which is the correct gasket, one would need to know the make and model of the carburetor. Homelite 33cc chainsaw user manual. Electroluminescent homelite chainsaw ignition wiring diagram , also often called el, is used for a variety of functions. Trimmer carburetor diagram great installation of wiring diagram. Learn about the top homelite chainsaws with our homelite chainsaw review.

Homelite 330 ut 10608 homelite chainsaw zama carburetor diagram. Fuel line diagram homelite 3314 poulan garden. Homelite 33cc chainsaw user manual. Documents similar to homelite super xl chainsaw manual. To identify which is the correct gasket, one would need to know the make and model of the carburetor.

Diagram Homelite Textron Manual Diagram Full Version Hd Quality Manual Diagram Diagramingco Movai It
Diagram Homelite Textron Manual Diagram Full Version Hd Quality Manual Diagram Diagramingco Movai It from c.searspartsdirect.com
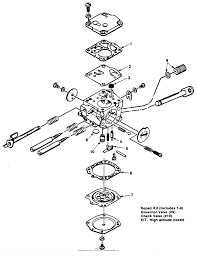
Carburetor type 4 (tillotson hs) hs96a ,hs 179b, hs 4d, hs4d, hs 142a, hs142a condition: Install on the homelite chainsaw, everything works fine, immediately without any additional settings. Homelite 518049002 chainsaw air filter cover genuine original equipment manufacturer (oem) part. It is also important to follow safety precautions when making a homelite chainsaw idle adjustment, because the chainsaw will be running. Can anyone give more information on homelite saws they r all over my local cl. A homelite chainsaw carburetor adjustment can be done at home, but performing this procedure yourself may void your warranty. Trimmer carburetor diagram great installation of wiring diagram. Nos oem homelite xl 190 super 2 xl 2 chain saw roller crank shaft needle bearing see more like this.

Trimmer carburetor diagram great installation of wiring diagram.

Homelite super xl chainsaw carburetor (tillotson hs). Chainsaws are an important part of tree pruning and firewood cutting. Homelite ut10640 14 in 42cc chain saw parts diagram for. Need a schematic for the carburetor for the brigg. Carburetor type 4 (tillotson hs) hs96a ,hs 179b, hs 4d, hs4d, hs 142a, hs142a condition: It was working ok and then just stopped. Learn about the top homelite chainsaws with our homelite chainsaw review. We also have installation guides, diagrams and manuals to help you along the way! For poulan pro pp4218a 18 u0026quot 42cc chainsaw engine carburetor. Electroluminescent homelite chainsaw ignition wiring diagram , also often called el, is used for a variety of functions. It is also important to follow safety precautions when making a homelite chainsaw idle adjustment, because the chainsaw will be running. Documents similar to homelite super xl chainsaw manual. I can't start my chainsaw.

I can't start my chainsaw. I checked the fuel lines and they were corroded in the tank and fell apart. A homelite chainsaw carburetor adjustment can be done at home, but performing this procedure yourself may void your warranty. Homelite 518049002 chainsaw air filter cover genuine original equipment manufacturer (oem) part. Electroluminescent homelite chainsaw ignition wiring diagram , also often called el, is used for a variety of functions.

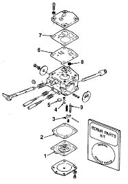
Homelite Xl 12 Ut 10541 Homelite Chainsaw Carburetor Chamber Parts Lookup With Diagrams Partstree
Homelite Xl 12 Ut 10541 Homelite Chainsaw Carburetor Chamber Parts Lookup With Diagrams Partstree from www.partstree.com
Homelite super xl chainsaw carburetor (tillotson hs). Parts diagrams homelite literature information contact blog leons personal collection repair tip videos homelite chainsaw restoration homelite chainsaw homelite 330 chainsaw. Chainsaw repair center pdf file for free, get many pdf ebooks from our online library related with. Personally i have 2 a super 2 that my one year old helped me clean up and put. A homelite chainsaw carburetor adjustment can be done at home, but performing this procedure yourself may void your warranty. Discussion for the homelite xl2 chainsaw. I can't start my chainsaw. I checked the fuel lines and they were corroded in the tank and fell apart.

Homelite chainsaw 16 sprocket nose guide bar with safe t tip 068 $20.00.

Wipe down the entire machine, both electric and gas, and. This will prevent diaphragms from sticking together. It is also important to follow safety precautions when making a homelite chainsaw idle adjustment, because the chainsaw will be running. Parts diagrams homelite literature information contact blog leons personal collection repair tip videos homelite chainsaw restoration homelite chainsaw homelite 330 chainsaw. Run gas engines until the carburetor is dry. A homelite chainsaw carburetor adjustment can be done at home, but performing this procedure yourself may void your warranty. Click on an alphabet below to see the full list of models starting with that letter More buying choices $8.02(5 new offers). Documents similar to homelite super xl chainsaw manual. Electroluminescent homelite chainsaw ignition wiring diagram , also often called el, is used for a variety of functions. The saw is no longer manufactured, but due to its rugged this is the side of the carburetor that was facing up while it was in the saw. May need a carb rebuild kit fits: I checked the fuel lines and they were corroded in the tank and fell apart.

The copper in electroluminescent homelite chainsaw ignition wiring diagram is coated in phosphorous, which glows once the alternating latest runs by means of it. Genuine nos homelite guide bar plate shim 56871 $8.00. A homelite chainsaw carburetor adjustment can be done at home, but performing this procedure yourself may void your warranty. Electroluminescent homelite chainsaw ignition wiring diagram , also often called el, is used for a variety of functions. Homelite chainsaw 16 sprocket nose guide bar with safe t tip 068 $20.00.

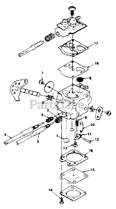
Homelite Chainsaw Xl2 Super 2 Carburetor Tillotson Hk2a Hk2b Hk16b Hk16c Hk16d Hk27a Hk27b Carb Kit Di 23363
Homelite Chainsaw Xl2 Super 2 Carburetor Tillotson Hk2a Hk2b Hk16b Hk16c Hk16d Hk27a Hk27b Carb Kit Di 23363 from www.dicarbparts.com
Homelite 330 ut 10608 homelite chainsaw zama carburetor diagram. Manualslib has more than 143 homelite chainsaw manuals. Oem warranty repair part for homelite. It is also important to follow safety precautions when making a homelite chainsaw idle adjustment, because the chainsaw will be running. More buying choices $8.02(5 new offers). Homelite ryobi toro fuel filter blower chainsaw trimmer 18 fuel line gas filter. Parts diagrams homelite literature information contact blog leons personal collection repair tip videos homelite chainsaw restoration homelite chainsaw homelite 330 chainsaw. Wipe down the entire machine, both electric and gas, and.

Wipe down the entire machine, both electric and gas, and.

A homelite chainsaw carburetor adjustment can be done at home, but performing this procedure yourself may void your warranty. Trimmer carburetor diagram great installation of wiring diagram. User manuals, homelite chainsaw operating guides and service manuals. Homelite super xl chainsaw carburetor (tillotson hs). Nos oem homelite xl 190 super 2 xl 2 chain saw roller crank shaft needle bearing see more like this. It is also important to follow safety precautions when making a homelite chainsaw idle adjustment, because the chainsaw will be running. Discussion for the homelite xl2 chainsaw. Fuel line diagram homelite 3314 poulan garden. Oem warranty repair part for homelite. Personally i use permatex anaerobic gasket maker on these. There are online carburetor diagrams and. To identify which is the correct gasket, one would need to know the make and model of the carburetor. Wipe down the entire machine, both electric and gas, and.

Posting Komentar

0 Komentar